|
HALF ADDER
Merupakan rangkaian elektronik yang bekerja melakukan perhitungan penjumlahan dari dua buah bilangan binary, yang masing-masing terdiri dari satu bit. Rangkaian ini memiliki dua input dan dua buah output, salah satu outputnya dipakai sebagai tempat nilai pindahan dan yang lain sebagai hasil dari penjumlahan.
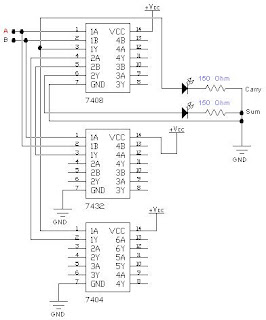
Rangkaian ini bisa dibangun dengan menggunakan IC 7400 dan IC 7408. Seperti yang terlihat pada gambar dibawah ini, rangkaian half adder merupakan gabungan beberapa gerbang NAND dan satu gerbang AND. Karakter utama sebuah gerbang NAND dalah bahwa ia membalikkan hasil dari sebuah gerbang AND yang karakternya hanya akan menghasilkan nilai satu ketika kedua inputnya bernilai satu, jadi gerbang NAND hanya akan menghasilkan nilai nol ketika semua inputnya bernilai satu.
Skema Diagram HALF ADDER
Ketika salah satu atau lebih input bernilai nol maka keluaran pada gerbang NAND pertama akan bernilai satu. Karenanya kemudian input di gerbang kedua dan ketiga akan bernilai satu dan mendapat input lain yang salah satunya bernilai nol sehingga PASTI gerbang NAND yang masukannya nol tadi menghasilkan nilai satu. Sedangkan gerbang lain akan benilai nol karena mendapat input satu dan satu maka keluaran di gerbang NAND terakhir akan bernilai satu, karena salah satu inputnya bernilai nol.
Untuk menghitung carry digunakan sebuah gerbang AND yang karakter utamanya adalah bahwa iahanya akan menghasilkan nilai satu ketika kedua masukannya bernilai satu. Jadi carry satu hanya akan dihasilkan dari penjumlahan dua digit bilangan biner sama-sama bernilai satu, yang dalam penjumlahan utamanya akan menghasilkan nilai nol.
Tabel Kebenaran HALF ADDER
Ket :
1 = Benar
0 = Salah
1 = Benar
0 = Salah
Jika setiap elemen yang dihubungkan salah satu ada yang Salah/(0) maka pernyataan pada percobaan Rangakaian Half Adder ini menunjukan Salah/(0).
Skema Pengkabelan HALF ADDER
KESIMPULAN :
Half Adder adalah suatu rangkaian penjumlahan sistem bilangan biner yang paling sederhana. Rangkaian ini hanya dapat digunakan untuk operasi penjumlahan data bilangan biner sampai 1bit saja. Rangkaian Half Adder memiliki 2 terminal input untuk 2 variabel bilangan biner clan 2 terminal output, yaitu SUMMARY OUT (SUM) dan CARRY OUT (CARRY).

sangat membantu tugas eldik saya, numpang sedot ya gan makasih.